

匯川變頻器MD290系列變頻是一款通用型變頻器,可以輕松驅動和控制異步電機,具備用戶可編程功能及后臺軟件監控、通訊總線功能,體積小,功能強大,性能穩定,滿足國際主流標準和認證。可應用于紡織、造紙、拉絲、機床、包裝、食品、風機、水泵等行業及各種自動化生產設備的驅動。
輕松驅動,風生水起簡單易用
異步感應電機VF驅動,調試簡單;匹配多種總線通訊,滿足多場景需求
穩定耐用
獨立風道搭配全覆蓋三防漆,滿足惡劣環境應用需求
工藝豐富
內置風機水泵應用特殊工藝需求,支持瞬停不停, 轉速追蹤,平方VF控制,高速驅動等
全球適用
滿足CE,UL,cUL,ROSH等認證要求,寬電壓范圍設計,適配多種電網
MD290系統連接圖:
MD290系列變頻器型號與技術數據:

MD290系列變頻器技術規格參數:

MD290系列變頻器安裝尺寸:

MD290系列變頻器PN通訊段子分布與功能說明:(外配)
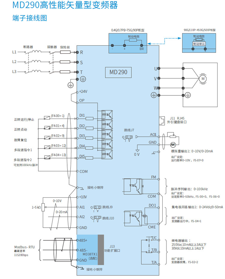
MD290系列變頻器接線圖:
入喜工業主營匯川變頻器,伺服電機,驅動器,PLC,觸摸屏的企業,為客戶提供技術解決方案,技術支持,充足的庫存,為了推進工業文明,共創美好生活.
電話:13818569113
郵箱:13818569113@139.com
網址:http://www.bdjywh.com
地址:上海市青浦區崧澤大道6686號1號樓305室